Блок обеспечивает двухполярное питание от ±3В до ±24В постоянного напряжения и ток в нагрузке до ±8А. Особенность схемы в том, что напряжения обоих полярностей регулируются одним общим переменным резистором.
Упрощенная схема приведена ниже
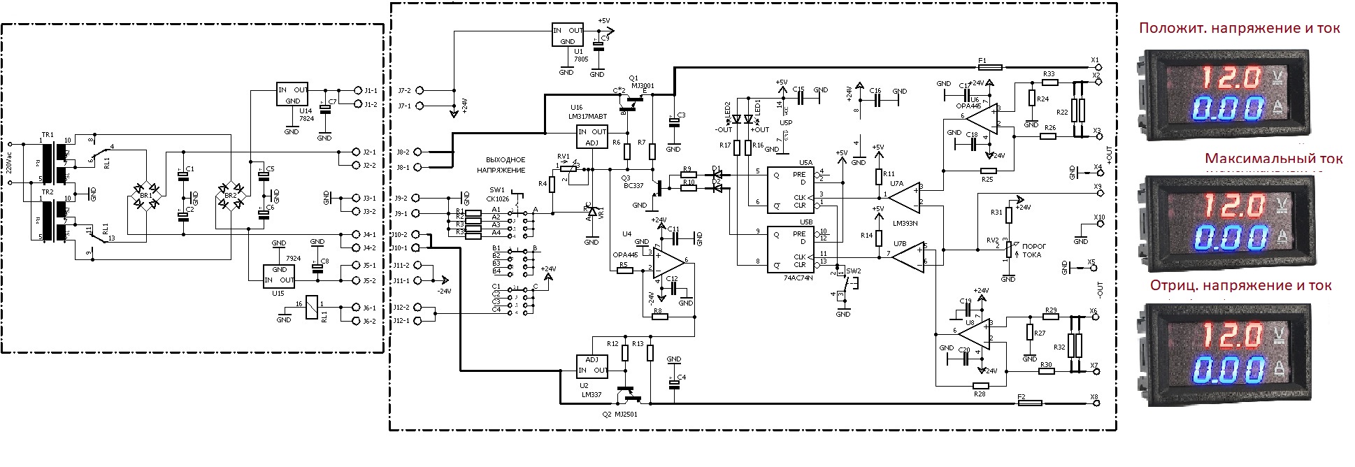
Источник положительного напряжения выполнен на миросхеме U16 типа LM317. Для достижения выходного тока 8А к ней подключен транзистор Дарлингтона MJ3001. Источник отрицательного напряжения выполнен на миросхеме U2 типа LM337. Для достижения выходного тока 8А к ней подключен транзистор Дарлингтона MJ2501. Оба источника имеют общий источник опорного напряжения на регулируемом стабилитроне VR1 TL431 и общий регулятор выходного напряжения RV1. Таким образом устанавливается одинаковое значение как положительного так и отрицательного напряжения от±3В до ±24В.
Ниже приведена схема с регулируемом порогом срабатывания защиты от перегрузки по току и с индикаторами выходных напряжений, токов и порога. 
Индикаторы выполнены на готовых 7-ми сегментных модулях цифровых ампервольтметров. Эти недорогие модули можно купить в интернете. Защита от перегрузок по току работает следующим образом. Напряжения на резисторах R22, R32, пропорциональные токам в нагрузках усиливаются операционными усилителями U6,U8 и поступают на положительные входы сдвоенного компаратора U7. При превышении предварительно установленного резистором RV2 значения на выходах компаратора включается лог.1, D-триггшеры U5 также включаются в лог.1, открывается транзистор Q3. В результате выходное напряжение падает до 0,8В. Для того чтобы восстановить работу после снятия перегрузки необходимо нажать кнопку SW2 сброс.
Установка выходных напряжений положительной и отрицательной полярностей проводится грубо поворотным переключателем SW1 и плавно переменным резистором RV1. Подробнее на видео
Подключать к сети можно с помощью 2-трансформаторов TR1,TR2 2х15В 10А по вышеприведенной схеме. Поворотным переключателем переключаются вторичные обмотки трансформаторов в зависимости от требуемого выходного напряжения. Это позволяет уменьшить потери на транзисторах Q1, Q2 при больших токах и малых выходных напряжениях.
Дешевле и проще применить два последовательно включенных импульсных блока питания 2х27В 7,5А
Тогда можно обойтись без мощного моста и электролитических конденсаторов. Вес легче и к.п.д. выше.
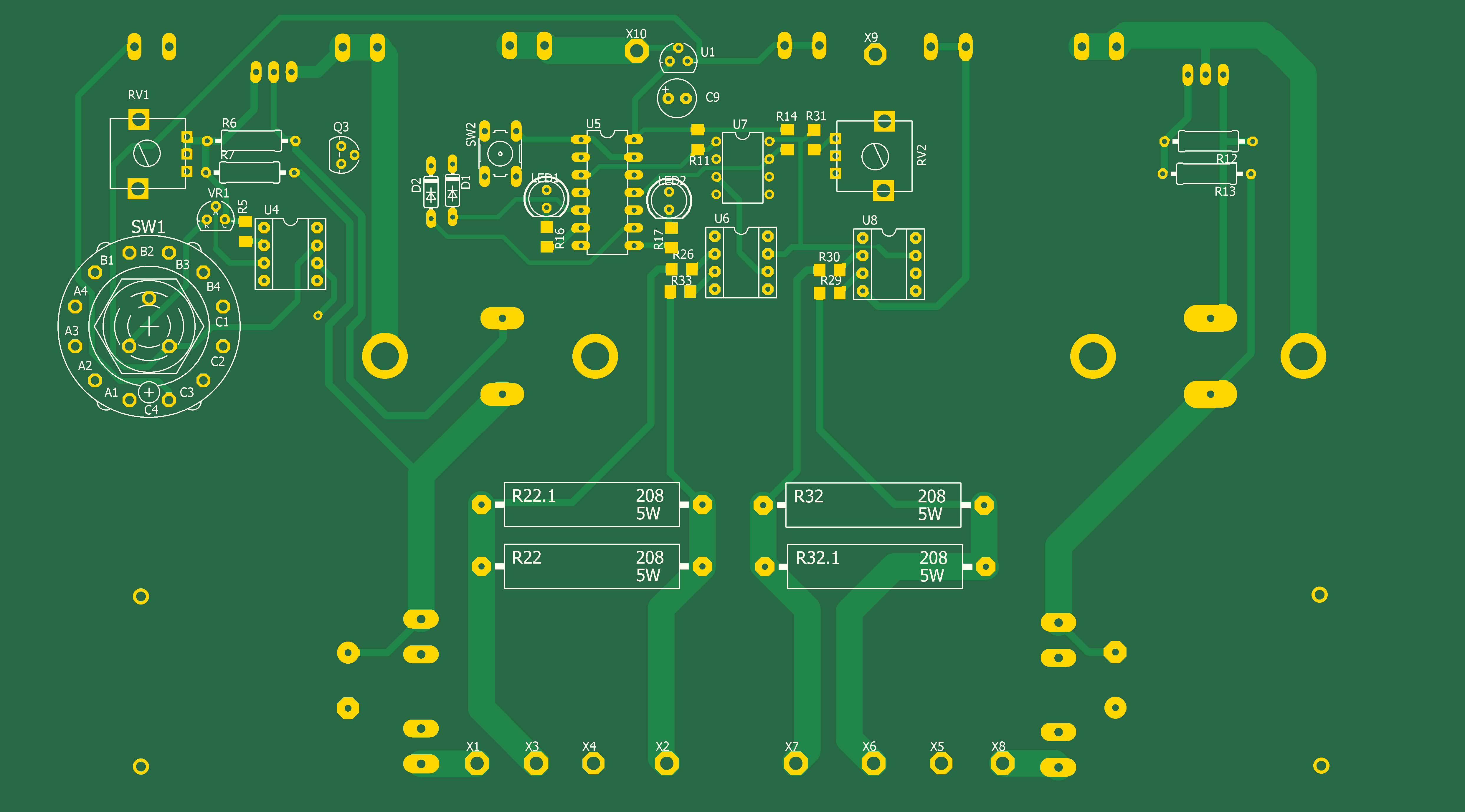
Перечень элементов, проект в протеусе, схема и чертежи печатной платы в EagleCAD, а также файлы для заказа платы в архиве.