Метеостанция позволяет измерять направление и скорость ветра, атмосферное давление и температуру снаружи помещения, количество выпавших осадков, освещенность на улице, влажность и температуру в помещении а также определять максимальные и минимальные значения за сутки и записывать каждые 10мин. на SD карту. Схема приведена ниже.
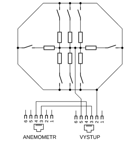
Для определения направления ветра применяется датчик WH-SP-WD. Датчик направления ветра работает по механическому принципу. Датчик имеет восемь магнитных переключателей, и каждый переключатель подключен к резистору с разным значением. Магнит-лезвие может переключать два переключателя одновременно, что позволяет отображать до 16 различных положений. Внешний резистор R9 использован для создания делителя напряжения для генерации выходного напряжения, которое подключается к входу повторителя напряжения на операционном усилителе U5 и далее на аналоговый вход А0 Ардуино Мега.

На рис. слева сверху приведена схема подключения резисторов к герконам, справа - значения резисторов в зависимости от угла направления ветра.
Для измерения скорости ветра применяется датчик WH-SP-WS. Он работает также по механическому принципу. Определение скорости датчика решается бесконтактным способом с помощью магнитного геркона. Датчик имеет кабель, оканчивающийся разъемом RJ11. Его можно использовать как автономный датчик или в сочетании с датчиком направления ветра WH-SP-WD, который имеет специально установленный разъем для подключения этого датчика. Геркон выдает на выходе импульс, один импульс равен скорости ветра 2,4 км/час. Оба датчика проложены через один кабель. Импульсы через внутренние контакты 3,4 разъёма RJ3 поступают на цифровой вход D2 Ардуино.
Для измерения внешней температуры и атмосферного давления применяется модуль BMP180
Он подключается к Ардуино через I2C удлинители P82B715, позволяющие передавать данные на расстоянии до 30м.
Для измерения количества осадков применяется дождемер MS-WH-SP-RG. Принцип его работы приведен на рис. снизу
Сверху корпуса имеется лунка с отверствием, через которое поступает капля на правую часть "качелий". Под тяжестью капли она опрокидывается и следующая капля попадает на левую часть. На "качелии" имеется магнит, который в процессе опрокидывания проходит мимо геркона. Геркон выдает импульс, один импульс равен 0,3мм осадков. Этот импульс через внутренние контакты разъёмов RJ6,RJ7 поступает на цифровой вход ТХ1 Адуино.
Уровень внешнего освещения измеряется с помощью модуля ALS-PT19. Это фототранзистор, выходное напряжение которого поступает на операционный усилитель U3 и через контакты разъёмов RJ8,RJ10 поступает на аналоговый вход А1 Ардуино.
Для измерения температуры и влажности в помещении применяется датчик DHT11. Он подключается к цифровому входу D3 Ардуино. Для привязки метеоданных к времени при записи на SD карту применен модуль часов реального времени DS1307. Для упрощения установки времени оно устаавливается в скетче в программе FLPROG как показано на рис. ниже
Для включения индикации направления ветра нажать кнопку SW1. Для включения индикации минимальных и максимальных значений метеоданных нажать SW2. Для пренудительной записи текущих значений на SD карту нажать SW3, для сброса минимальных и максимальных значений нажать SW4. Подробнее на видео.
Индикация выполнена на SPI LCD TFT модуле ST7735
Питание 5В 1А
Автор: https://radiosch.eu