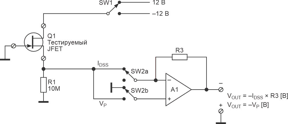
Устройство позволяет быстро измерять напряжение отсечки, начальный ток стока и крутизну JFET транзисторов N-типа и Р-типа с током стока до 50мА. Напряжение отсечки Up - это напряжение между затвором и истоком, при котором ток стока равен нулю. Начальный ток стока - это ток стока Idss при нулевом напряжении между затвором и истоком. Максимальную крутизну S можно оценить по формуле S=2Idss/Up mA/V. Ниже приведена упрощённая схема измерений. Автор схемы Соr van Rij

Переключатель SW1 используется для выбора между n-канальными JFET и их менее распространенными собратьями с каналом p-типа. Переключатель SW2 используется для выбора между измерением VP и IDSS. В показанном положении измеряется IDSS. В этом положении A1 сконфигурирован как трансимпедансный усилитель. Когда неинвертирующий вход операционного усилителя подключен к земле, усилитель A1 поддерживает потенциал инвертирующего входа, а значит, и истока, также на уровне земли. Это гарантирует, что измеряется истинное значение IDSS. Затем резистор R3 преобразует ток в напряжение, которое можно измерить на выходе A1. Когда переключатель SW2 переводится в другое положение, усилитель A1 становится простым повторителем напряжения. Напряжение отсечки, которое падает на резисторе R1, затем буферизуется и поступает на выход A1.
Ниже приведена реализация этой идеи с применением Ардуино Нано.
Измеряемый транзистор подключается к панельке для тестирования микросхем DIP14. N- канальный транзистор подключается к контактам 1 - 5, Р- канальный - к контактам 10 - 14. Для измерения начального тока стока до 50мА выход операционного усилителя U1A усилен комплементарной парой на транзисторах Q2,Q3. Полярность измеряемого транзистора переключается кнопкой SW2. При этом включается светодиод D3 или D4. Режим переключения измерения Idss или Up устанавливается переключением реле RL1 с помощью кнопки SW1. Для оценки максимальной крутизны необходимо сначала измерить начальный ток стока Idss, нажатием SW3 сохранить измеренное значение тока в EEPROM U2, затем переключить в режим измерения нгапряжения отсечки Up и нажать SW4.
Измерительная часть схемы состоит из инвертирующего усилителя U1B и 12-ти разрядных АЦП U4,U5. С помощью U4 измеряются параметры транзистора с N-каналом, с помощью U5 - транзистора с Р-каналом. Обе микросхемы АЦП подключены к Ардуино по I2C. Стабилитроны D1,D2 подключены для защиты входов АЦП от перегрузки по напряжению. Информация отображается на 2-х строчном 16-ти символьном LCD дисплее подключенном к Ардуино через I2C драйвер U3. Питание устройства от 2-х AC-DC конверторов MOD1,MOD2 входы которых подключены параллельно а выходы последовательно для получения 2-х полярного напряжения +/- 12В. Скетч для Ардуино выполнен в программе FLPROG 8.2.
Автор: https://radiosch.eu